



RW71系列低壓背壓閥,不銹鋼膜片壓力傳輸,壓力控制準確,用于調節上游壓力,適用氣體、標準氣體、腐蝕性氣體, 液體等,可面板安裝。
RW71系列低壓背壓閥,不銹鋼膜片壓力傳輸,壓力控制準確,用于調節上游壓力,適用氣體、標準氣體、腐蝕性氣體, 液體等,可面板安裝。
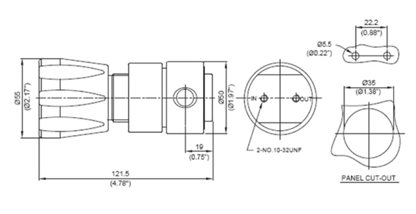
● 可采用面板式或墻式安裝。
● 母體與膜片采用硬密封形式。
● 母體螺紋: 1/4" NPT(F) 3/8"NPT(F)。
| ? 最大調節壓力:800psig |
| ? 調節壓力:0~25,0~50,0~100,0~250,0~300,0~500,0~800psig |
| ? 安全測試壓力:1.5倍的最大輸入壓力 |
| ? 適用溫度:-40℃至+100℃(大于100℃咨詢技術) |
| ? 泄漏率:2×10-8 atm cc/sec He |
| ? Cv值: 0.06 ,0.08, 0.2 ,0.4, 0.6 |
| ? 母體:316L ,Brass,C276,TA2,PVDF |
| ? 上蓋: 304 |
| ? 膜片:316L C276 |
| ? 閥座:PCTFE , PTFE, Vespel |
| ? 彈簧:316L |
| ? 閥芯頂桿:316L |
| 訂購指南ORDERING INFORMATION | |||||||
| 系列型號 | 母體材質 | 母體孔位 | 調節壓力 | 壓力表 | 進氣形式 | 出氣形式 | 選項 |
|
RW71低壓背壓閥 HTRW71高溫背壓閥 ARW71氣控背壓閥 XRW71先導背壓閥 LRW71液體背壓閥 GRW71高純背壓閥 ERW71電動背壓閥 EARW71電氣比例背壓閥 |
L | A | G | G | 00 | 00 | P |
|
L:316L B:Brass C:C276 T:TA2 PD:PVDF |
A B |
L:0-25psig K:0-50psig I:0-100psig G:0-250psig F:0-300psig E:0-500psig D:0-800psig |
G:附壓力表 (Mpa) p:附壓力表 (psig/bar) W:無壓力表 |
00:1/4NPT(F) 01:1/4NPT(M) 02:3/8NPT(F) 10:1/8卡套接頭 11:1/4卡套接頭 12:3/8卡套接頭 91:1/4"VCR(F) 92:1/4"VCR(M) 92:1/4"焊接管 其他接頭可供選擇 |
00:1/4NPT(F) 01:1/4NPT(M) 02:3/8NPT(F) 10:1/8卡套接頭 11:1/4卡套接頭 12:3/8卡套接頭 91:1/4"VCR(F) 92:1/4"VCR(M) 92:1/4"焊接管 其他接頭可供選擇 |
P:面板式安裝 |
|
全國服務熱線